Hướng dẫn sử dụng bộ điều khiển độ ẩm FOX-1H
GIỚI THIỆU
Bộ điều khiển độ ẩm FOX-1H có một ngõ ra điều khiển ON/OFF, cảm biến phù hợp nhất trong môi trường có nhiệt độ 0-60°C và độ ẩm 10-95%RH.
Để bộ điều khiển độ ẩm FOX-1H vận hành tốt, bạn cần đấu nối đúng và cài đặt nó chính xác các thông số của nó theo nhu cầu sử dụng.
MỤC LỤC
III. ĐẤU NỐI BỘ ĐIỀU KHIỂN ĐỘ ẨM FOX-1H
Tải hướng dẫn sử dụng bộ điều khiển độ ẩm Conotec FOX-1H
Conotec FOX-1H Catalog & Manulal (English)
I. AN TOÀN SỬ DỤNG
- Phải chắc chắn rằng không có kết nối đến nguồn điện nào trước khi thực hiện đấu nối
- Sử dụng các đầu cos bấm gọn các đầu dây điện để tăng độ an toàn điện
- Sử dụng contactor / aptomat trung gian để tránh quá tải các tiếp điểm
- Sử dụng domino (panel) để đấu dây điện thay vì xoắn các đầu dây với nhau
- Đầu cảm biến nên lắp đặt mặt lỗ theo hướng úp xuống để tránh đọng nước
II. LẮP ĐẶT
Dựa vào sơ đồ lắp đặt, chúng ta có cách lắp đặt an toàn:
- Kích thước lỗ khoét mặt tủ điện: 71(W) x 29(H) mm
- Lắp bộ điều khiển độ ẩm FOX-1H vào tủ điện, hướng từ ngoài vào, mặt hiển thị quay ra ngoài
- Dùng kẹp nhựa đi kèm trong hộp sản phẩm, gắn vào rãnh bên hông của bộ điều khiển, hướng từ trong ra.
III. ĐẤU NỐI BỘ ĐIỀU KHIỂN ĐỘ ẨM FOX-1H
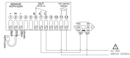
III.1. ĐẤU NỐI CẢM BIẾN
Bộ điều khiển được trang bị sẵn cảm biến độ ẩm HCPV-220H, việc đấu nối cảm biến cần đúng chính xác thứ tự và màu sắc như sau:
- Dây màu đen: chân số 1
- Dây màu trắng: chân số 2
- Dây màu vàng: chân số 3
III.2. ĐẤU NỐI ĐIỆN
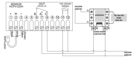
Nhìn vào sơ đồ đấu nối, ta thấy nhà sản xuất có sử dụng một thiết bị đóng cắt trung gian (relay kiến hoặc contactor). Việc đấu nối này hoàn toàn không làm khó được nếu bạn là … thợ. Tuy nhiên, nó là một vấn đề khó khăn cho nhiều bạn muốn tự giải quyết việc này.
Tôi sẽ thêm một số ghi chú vào sơ đồ gốc, bạn có thể thay đổi một chút: đấu thẳng thiết bị tạo ẩm/khử ẩm vào bộ điều khiển bằng cách bỏ đi contactor. Tuy nhiên, đây không phải là điều được khuyến cáo. Sơ đồ chi tiết sẽ như sau:
- Diễn giải đấu contactor
Các ký hiệu trên contactor khác nhau có thể sẽ khác nhau, bạn cần đọc kỹ tài liệu của contactor mà bạn đang sử dụng. Bên dưới đây là các ký hiệu thông dụng:- Nguồn cấp: đấu vào ngõ vào của contactor (có ký hiệu IN)
- Thiết bị tạo ẩm hoặc khử ẩm: đấu vào ngõ ra của contactor (ký hiệu OUT)
- Chân khiển của contactor: thông thường có ký hiệu A1 + A2, sẽ đấu vào ngõ ra của bộ điều khiển độ ẩm FOX-1H
- Đấu bộ điều khiển và contactor
- Nguồn cấp: đấu vào chân số 11 + 12
- Contactor: đấu 2 chân ký hiệu A1 và A2 vào chân số 7 và 11
- Nối tắt: dùng đoạn dây ngắn nối 2 chân số 8 và 12
IV. MÀN HÌNH VÀ NÚT NHẤN

Màn hình bộ điều khiển độ ẩm FOX-1H
Ngoài khu vực LED hiển thị giá trị độ ẩm, chúng ta có 3 nút nhấn như sau:
: phím SET, được sử dụng để vào chương trình cài đặt, di chuyển qua các tham số và thiết lập giá trị của tham số
: phím UP, phím mũi tên lên. Được sử dụng để thay đổi giá trị của tham số.
: phím DOWN, mũi tên xuống. Được sử dụng để thay đổi giá trị của tham số.
V. CÀI ĐẶT ĐIỂM SET
Điểm SET còn được gọi là điểm OFF, cách vận hành của nó còn phụ thuộc vào giá trị của tham số dIF (giá trị lệch, dung sai) và tyP (khử ẩm hoặc tạo ẩm) – xem chi tiết tại mục VI bên dưới:
- Trong điều khiển khử ẩm: điểm SET (hay điểm OFF) là điểm thấp nhất trong khoảng độ ẩm yêu cầu.
- Trong điều khiển tạo ẩm: điểm SET (hay điểm OFF) là điểm cao nhất trong khoảng độ ẩm yêu cầu.
Chúng ta bắt đầu thiết lập điểm SET bằng hình ảnh và các chú thích ở mỗi hình ảnh:
VI. CÀI ĐẶT CHƯƠNG TRÌNH CHO BỘ ĐIỀU KHIỂN ĐỘ ẨM FOX-1H
Đây là phần quan trọng để bộ điều khiển độ ẩm của bạn hoạt động có chính xác theo đúng nhu cầu hay không. Mục VI.1 và VI.2 sẽ giúp bạn tra cứu toàn bộ tham số được hỗ trợ. Khi tiến hành cài đặt thực tế, các bước trong phần ví dụ ở mục VI.3 sẽ giúp bạn dễ dàng thao tác hơn.
VI.1. VÀO CHƯƠNG TRÌNH CÀI ĐẶT
- Đấu nối thiết bị, cấp nguồn
- Nhấn và giữ phím SET khoảng hơn 5 giây (cho đến khi màn hình xuất hiện tham số dIF, nhả phím).
VI.2. CÁC THAM SỐ CÀI ĐẶT
Trong sơ đồ cài đặt trên, những phần được đóng khung màu đỏ chính là các tham số của chương trình. Hình tiếp theo sau mỗi tham số chính là giá trị của tham số đó.
VI.2.1. Cách thao tác sử dụng trong quá trình cài đặt:
- Tại màn hình hiển thị tham số, nhấn phím SET (
) chuyển tới giá trị của tham số đó - Tại màn hình giá trị của tham số, nhấn phím mũi tên lên (
) hoặc xuống (
) để thay đổi giá trị của tham số. - Tại màn hình giá trị của tham số, nhấn phím SET (
) để chuyển đến tham số kế tiếp.
VI.2.2. Ý nghĩa tham số
: dIF, giá trị chênh lệch độ ẩm.- Khi tyP = d: trong điều khiển khử ẩm, ngõ ra phát tín hiệu ON khi độ ẩm tăng lên đạt giá trị SET + dIF.
- Khi tyP = H: trong điều khiển tạo ẩm, ngõ ra phát tín hiệu ON khi độ ẩm giảm xuống đạt giá trị SET – dIF.
: tyP, loại điều khiển- tyP = d: điều khiển khử ẩm
- tyP = H: điều khiển tạo ẩm
: Cor, tham số cân chỉnh sai số đầu dò. Khi độ ẩm đo được cao hơn giá trị chuẩn thì Cor có giá trị âm (-), ngược lại thì thiết lập giá trị dương (+).
VI.3. VÍ DỤ CỤ THỂ
Giả sử, chúng ta cần thiết lập quy trình khử ẩm cho phân xưởng chứa gỗ. Độ ẩm yêu cầu phải duy trì trong khoảng 35 đến 40%RH.
Như vậy, ta có:
- SET = 35%RH
- dIF = 5
- Cor = 0 (cảm biến độ ẩm mới, chưa bị sai lệch hoặc không nối dài dây cảm biến)
Tiến hành thiết lập các giá trị trên vào bộ điều khiển:
- Nhấn phím SET ⇒ màn hình hiển thị giá trị điểm SET nhấp nháy
- Nhấn phím mũi tên lên hoặc xuống (
hoặc
) để thay đổi giá trị thành 35 - Nhấn SET và chờ vài giây để màn hình quay về giá trị đo
- Nhấn và giữ phím SET hơn 5 giây, cho đến khi màn hình xuất hiện tham số dIF (
), nhả phím - Nhấn SET ⇒ màn hình hiển thị giá trị của dIF
- Nhấn phím mũi tên lên hoặc xuống (
hoặc
) để thay đổi thành 5 - Nhấn phím SET ⇒ màn hình chuyển đến tham số tyP (
) - Nhấn phím SET ⇒ màn hình hiển thị giá trị của tyP
- Nhấn phím mũi tên lên hoặc xuống (
hoặc
) để thay đổi giá trị này thành 5 - Nhấn và giữ phím SET hơn 5 giây để thoát khỏi chương trình (hoặc không tác động đến phím trong vài giây)
VII. CÁC LỖI HIỂN THỊ VÀ CÁCH XỬ LÝ
Trong quá trình vận hành, một số chỉ thị lỗi có thể xuất hiện. Người vận hành cần biết để dễ dàng và nhanh chóng khắc phục nó.
: lỗi bộ nhớ. Bạn cần nhờ đến đơn vị cung cấp sản phẩm để hỗ trợ.
: lỗi cảm biến. Bạn cần kiểm tra:- Đấu nối giữa cảm biến và bộ điều khiển độ ẩm FOX-1H: chắc chắn nó đã đúng dây, điểm tiếp xúc chắc chắn
- Dây không bị đứt, gãy, đoãn mạch
- Nếu cả 2 thao tác trên vẫn không xử lý được lỗi, có thể bạn cần: liên hệ nhà cung cấp để được hỗ trợ hoặc thay thế một cảm biến độ ẩm HCPV-220H mới.
: độ ẩm thấp hơn ngưỡng cho phép. Hãy liên hệ ngay nhà cung cấp sản phẩm để được hỗ trợ.
: độ ẩm cao hơn ngưỡng cho phép. Hãy liên hệ ngay nhà cung cấp sản phẩm để được hỗ trợ.











