Hướng dẫn sử dụng công tắc chênh áp SAGINOMIYA ONS
Công tắc chênh áp SAGINOMIYA ONS hơi phức tạp ở phần đầu nối điện, chúng ta phải kế hợp 2 cụm công tắc: 1 công tắc áp suất và 1 công tắc của timer.
NỘI DUNG CHÍNH
I. TỔNG QUAN SẢN PHẨM
Hầu hết Công tắc chênh áp SAGINOMIYA ONS series đều có thể áp dụng tài liệu này, thông tin chi tiết các sản phẩm được hỗ trợ như sau:
CÁC SẢN PHẨM THÔNG DỤNG ĐANG ĐƯỢC CUNG CẤP TẠI CƠ ĐIỆN LẠNH NGUYỄN MINH
- ONS-C106XQ5:
- Ngưỡng áp suất: 0.5 ~ 3.5 bar
- Diff: 0.5
- Delay time: 90 giây
- ONS-C106XNGQ5:
- Ngưỡng áp suất: 0.5 ~ 3.5 bar
- Delay time: 90 giây
- Dùng cho NH3: có
CÁC DÒNG CÔNG TẮC ÁP SUẤT DẦU SAGINOMIYA KHÁC:
II. LẮP ĐẶT CÔNG TẮC CHÊNH ÁP SAGINOMIYA LÊN ĐƯỜNG ỐNG
Dùng 2 cờ lê xiết tán côn: giữ chặt và cố định cờ lê số 2, đồng thời xoay cờ lê số 1. Được mô tả như hình sau:
III. ĐẤU NỐI ĐIỆN
III.1. SƠ ĐỒ ĐẤU NỐI GỐC
Bạn dễ dàng tìm thấy sơ đồ đấu nối ngay mặt trong của nắp bảo vệ thiết bị, hoặc catalog đi kèm khi mua sản phẩm, hoặc 1 tài liệu online từ website của nhà sản xuất, hoặc tại đây.
Lưu ý: tiếp điểm L3 sẽ không có ở một số mã hàng, đây là tiếp điểm cảnh báo của timer.
Nếu đây là lần đầu tiên bạn thao tác trên thiết bị này, sẽ có chút khó khăn để hoàn thành nó. Chúng ta sẽ đi tiếp phần sau với sơ đồ chi tiết hơn.
III.2. ĐẤU NỐI CHI TIẾT CÔNG TẮC CHÊNH ÁP SAGINOMIYA ONS
III.2.a. THIẾT BỊ DÙNG LÀM HƯỚNG DẪN
Chúng tôi sử dụng công tắc chênh áp SAGINOMIYA ONS-C106XQ5 để làm hướng dẫn này, mã sản phẩm này sẽ không có L3. Trước tiên, hãy xem vị trí các tiếp điểm:
III.2.b. TỔNG QUAN VỀ CÔNG TẮC
Bao gồm 2 công tắc:
- Công tắc áp suất, các tiếp điểm: 1, 3 và 5
- Công tắc của timer, các tiếp điểm: L1, L2, L3 (tùy mã hàng), 220V, 110V
III.2.c. NGUYÊN LÝ ĐẤU NỐI
Dựa vào nguyên lý: Máy nén (hoặc tải bất kỳ) là ON khi thỏa mãn đủ 2 điều kiện là:
- Mức chênh áp (Diff) phù hợp. Cụ thể ở ví dụ này là Diff = 0.5 bar
- Và hết thời gian trì hoãn (delay time) của timer. Cụ thể delay time = 90s
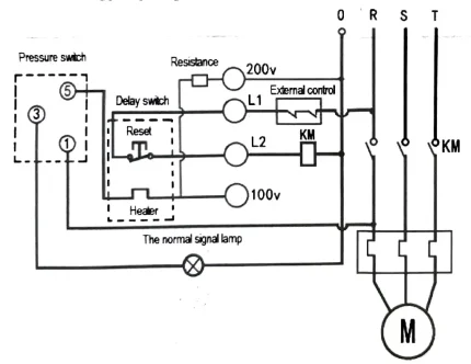
III.2.d. SƠ ĐỒ CHI TIẾT
Các bạn xem sơ đồ chi tiết và chú thích đấu nối
- Đấu nối máy nén (tải) và cảnh báo
- Chú thích:
- Trong sơ đồ đang sử dụng nguồn 220V, nếu là nguồn 110V thì cần thay đổi tiếp điểm 110V cho phù hợp
- Nếu thiết bị của bạn có tiếp điểm L3 thì có thể sử dụng nó làm cảnh báo
IV. CÀI ĐẶT NGƯỠNG ÁP SUẤT
Việc cài đặt ngưỡng áp suất khá đơn giản, chúng ta cần xác định giá trị áp suất phù hợp, sau đó dùng tua vít dẹt từ từ xoay bánh răng tại vị trí mũi tên như hình:








